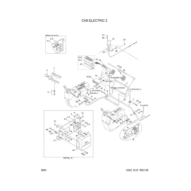
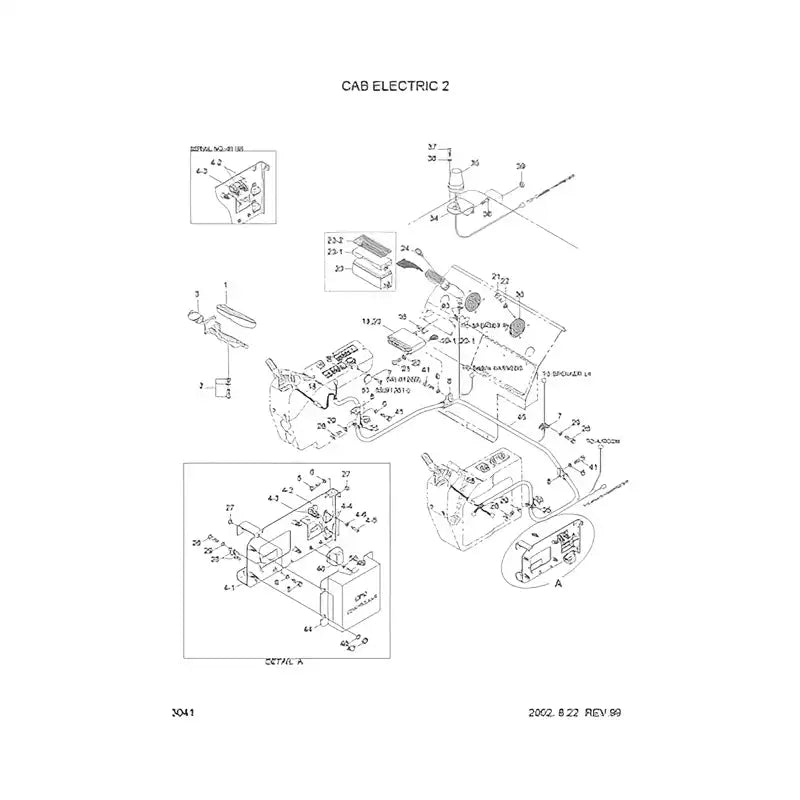
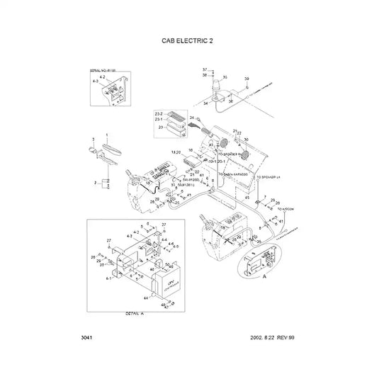
Controller 24E7-80001 for Hyundai Excavator R450LC-3
YOU MAY ALSO NEED
Controller 24E7-80001 for Hyundai Excavator R450LC-3
Condition:
New Original
Note:
This 100% Genuine part doesn't offer any warranty, return or exchange service. Please confirm according to the correct part number instead of just a model!
Part Number:
24E7-80001, 24E780001, 24E7-80000, 24E780000, 24E7-20600, 24E720600
Applications:
Hyundai
Excavator:
R450LC-3
Note:
When placing an order, please contact us with engine /air compressor nameplate so that we can check it (or prepare the operating procedures more accurately for you).
| Part Number | 24E7-80001, 24E780001, 24E7-80000, 24E780000, 24E7-20600, 24E720600 |
Controller 24E7-80001 for Hyundai Excavator R450LC-3 for sale on our website.
In addition to Controller 24E7-80001, you can also buy other models or other parts of Excavators, Forklift, Aerial Work Platforms AWP and etc. on our website.



